Hjem > Produkter > Nøtt > Sekskantmutter > Tynn sekskantmutter med fin tråd
        Tynn sekskantmutter med fin tråd
        • Tynn sekskantmutter med fin trådTynn sekskantmutter med fin tråd
        • Tynn sekskantmutter med fin trådTynn sekskantmutter med fin tråd
        • Tynn sekskantmutter med fin trådTynn sekskantmutter med fin tråd

        Tynn sekskantmutter med fin tråd

        Den tynne sekskantmutteren med gjenger med fin stigning er en sekskantmutter med tynnere gjenger som brukes til festing. Xiaoguo® er en festeprodusent, vi kan gi prøver for testing.
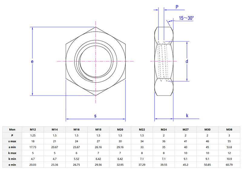
        Modell:Q 353B-1999

        Send forespørsel

        produktbeskrivelse

        Tynn sekskantmutter med gjenger med fin stigninger en slags slank og lav nøtt. De fine gjengene (med flere gjenger per tomme) letter arbeidernes nøyaktige justering. De har bedre støtmotstand og hindrer at mutteren løsner. De brukes ofte i mekaniske, elektroniske eller bildeler.

        Produktdetaljer og parametere

        Thin Hexagon Nut With Fine Pitch Thread


        Tynn sekskantmutter med gjenger med fin stigning kan monteres bak kontrollpanelet eller i et smalt motorrom. De brukes i presisjonsutstyr som CNC-maskinverktøy, medisinsk utstyr eller roboter. De er praktiske for finjustering og mer plassbesparende.

        Når du velger passende tynn sekskantmutter med gjenger med fin stigning, er gjengespesifikasjonen det første du må vurdere. Diameteren på mutteren (som M6, M8) og stigningen (som 1,0 mm) skal samsvare med bolten. Vi har metriske størrelser og noen keiserlige størrelser å velge mellom. Høyden på mutteren er omtrent halvparten av standardmutteren.Tynn sekskantmutter med gjenger med fin stigningkan sette seg fast eller skli når den monteres på grovgjengede bolter. Vennligst utfør en test før du strammer for å sjekke kompatibiliteten til produktet.

        I elektronikkindustrien brukes en tynn sekskantmutter med gjenger med fin stigning for å montere foringsrørene til elektroniske enheter. For eksempel, for datamaskiner, smarttelefoner eller andre små elektroniske enheter, kan disse mutrene alle beskytte dekselet intakt. Ved montering av kretskort kan de brukes til å koble til små komponenter eller fikse kretskort inne i utstyret.



        Thin Hexagon Nut With Fine Pitch Thread

        Hvorfor fine pitch-tråder

        Nøyaktigheten til standard grove gjenger kan ikke sammenlignes med nøyaktigheten tiltynn sekskantmutter med gjenger med fin stigning. Deres toleranser er mindre, noe som reduserer klaringen under installasjonen. De kan fordele belastningen mer jevnt, noe som er veldig nyttig for installasjon av metallplater. Installasjonshastigheten deres er imidlertid relativt langsom. Har du høye krav til mutterens presisjon kan du velge dem.

        Hot Tags: Tynn sekskantmutter med tråd med fin stigning, Kina, produsent, leverandør, fabrikk
        Relatert kategori
        Send forespørsel
        Gi gjerne din forespørsel i skjemaet nedenfor. Vi svarer deg innen 24 timer.
        X
        Vi bruker informasjonskapsler for å gi deg en bedre nettleseropplevelse, analysere nettstedstrafikk og tilpasse innhold. Ved å bruke denne siden godtar du vår bruk av informasjonskapsler. Personvernerklæring
        Avvis Akseptere