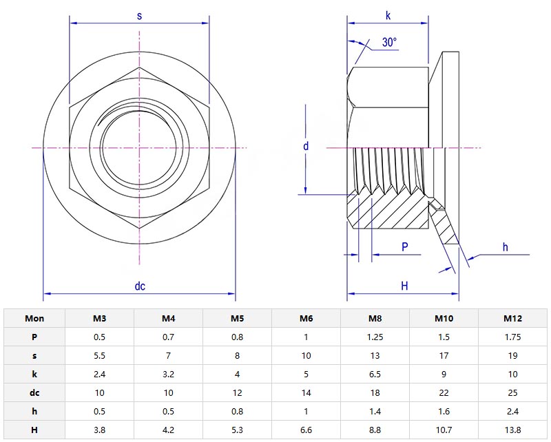
Sekskant nøtter og koniske vaskemålsamlingsPasser for ujevn eller vinklede overflater.SekskantnøtterGi standardtråder for bolter, mens koniske skiver er justert til passende skråning eller klaring for sikkerhet.

Desekskant nøtter og koniske vaskemålhar en standardtråd, mens den avsmalnede vaskemaskinen har en vinklet overflate som tillater justering opp til 10-15 grader. Den brede basen på skiven fordeler belastningen jevnt, og monteringen fungerer med enten metriske eller keiserlige bolter. Det er bulkere enn en flat vaskemaskin, men løser utfordringer med justering.
Bruksekskant nøtter og koniske vaskemålsamlingeså sikrebolterpå skrånende eller uregelmessige overflater. Den kan montere parentes på skråstålbjelker, installere utstyr på ujevn betong eller sikre maskinben på steinete gulv. Det gjør det også enkelt å ettermontere eldre strukturer med setter seg eller bøye overflater over tid.
HEks nøtter og koniske vaskemaskinerer vanlige i konstruksjon (stålbjelker, stillaser), jernbanesystemer (sporfesting) og landbruksmaskiner (vedlegg på ujevn terreng). De brukes også i bruksstolper, solcellepanelmonteringer og DIY -prosjekter som Deck Building. Uansett hvor bolter møtes vinklede eller røffe overflater, holder denne kombinasjonen ting stramt.

| Marked |
Total inntekt (%) |
| Nord -Amerika |
10 |
| Øst -Europa |
23 |
| Sørøst -Asia |
3 |
| Midt -Østen |
5 |
| Øst -Asia |
18 |
| Vest -Europa |
15 |
| Mellom -Amerika |
6 |
| Sør -Asia |
5 |
| Innenlandsk marked |
15 |
Sekskant nøtter og koniske vaskemålHa lave vedlikeholdskostnader, og du trenger bare å sjekke om produktet er rusten eller om vaskemaskinen er deformert når du bruker det. Den bøyde pakningen må byttes ut for å opprettholde grep. De er ikke egnet for ekstreme vinkler (mer enn 15 grader) eller tunge roterende belastninger. De er en kostnadseffektiv løsning for de fleste ubalanserte jobber.