Disse UN-nagletappene for PCB-plater er vanligvis laget av gode stållegeringer, som lavkarbon eller rustfritt stål, eller aluminium. De har solid mekanisk styrke og holder seg godt over tid.
Stål gir den mest strekk- og skjærstyrke. Aluminium, derimot, leder elektrisitet fint og er lette.
Metallet som er valgt for disse tappene betyr at de kan håndtere tunge mekaniske belastninger, stress fra oppvarmings- og kjølesykluser, og holde seg sterke hele tiden produktet er i bruk.
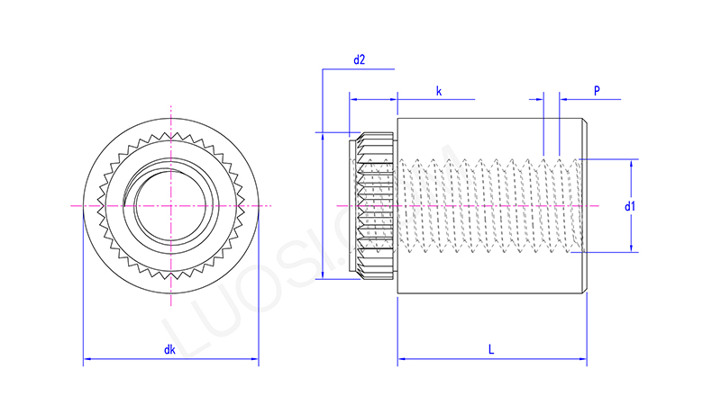
UN-nagletappen for PCB-kort er en permanent og høyfast feste som brukes for å gi et pålitelig eksternt gjenget fikseringspunkt på kretskort (PCB). Her representerer "UN" typisk "Uniform National Standard", og refererer til den standardiserte skruegjengetypen den har (som UNC eller UNF), som sikrer dens kompatibilitet med forskjellige standardmuttere.
Installasjonsprosessen er rask og effektiv. Sett tappen inn i det forhåndsborede hullet på PCB-kortet. Bruk deretter et dedikert nagleverktøy for å deformere den flate enden av tappen, slik at den utvider seg utover og griper fast mellom naglehodet og skulderen eller flensen på tappen, og danner dermed en sterk og vibrasjonsbestandig forbindelse uten behov for sveising.
Denne metoden er spesielt egnet for scenarier som krever å tåle store mekaniske påkjenninger, må gjennomgå flere plug-in operasjoner, eller hvor varmen som genereres ved sveising kan skade sensitive komponenter.
Disse UN-nagletappene for PCB-plater settes inn ved hjelp av en kaldformings- eller naglemetode.
Du stikker tappen gjennom et forhåndsboret hull i kretskortet. Deretter bøyer et spesielt nagleverktøy stiftens skaft mot en dy under brettet, og skaper en permanent, utstrakt lås som holder den på plass.
Kaldbehandlingsmetoden genererer mindre varme og vil ikke skade PCB-laminatet eller kretsene. Når de er riktig installert, gir tappene en sterk og vibrasjonsbestandig fiksering uten å kompromittere kretskortets struktur.

| Marked | Inntekt (forrige år) | Total inntekt (%) |
| Nord-Amerika | Fortrolig | 20 |
| Sør-Amerika | Fortrolig | 4 |
| Øst-Europa | Fortrolig | 24 |
| Sørøst-Asia | Fortrolig | 2 |
| Afrika | Fortrolig | 2 |
| Oseania | Fortrolig | 1 |
| Midtøsten | Fortrolig | 4 |
| Øst-Asia | Fortrolig | 13 |
| Vest-Europa | Fortrolig | 18 |
| Mellom-Amerika | Fortrolig | 6 |
| Nord-Europa | Fortrolig | 2 |
| Sør-Europa | Fortrolig | 1 |
| Sør-Asia | Fortrolig | 4 |
| Hjemmemarked | Fortrolig | 5 |