En skrue -øyebolt har en gjenget stang og et ringhode. Trådene kuttes nøyaktig for å passe tett med nøtter eller gjengede hull. Ringhodet er bygget for å håndtere kraftig trekking, noe som gjør det pålitelig for å løfte eller sikre belastninger.
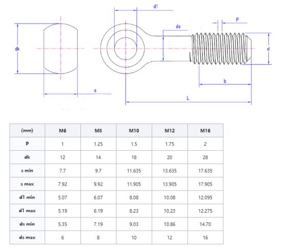
Produktdetaljer og parametere
Hver skrue øyebolten blir laget gjennom tre hovedtrinn: oppvarmet metallforming (smiing), kutte presise skruetråder og endelig belegg/behandling. Disse trinnene sikrer at de samsvarer med QC 190 - 2012 -reglene for målinger, styrkebehov og overflatekvalitet. Ingen fancy ekstrautstyr - bare enkle prosesser sjekket mot harde krav. Standarden dekker hvor stor de kan være, hvor mye vekt de må holde uten å bryte, og sørge for at det ikke er rust eller røffe flekker. I utgangspunktet, hvis en øyebolt forlater fabrikken, har skrueboltene på skruen blitt hamret, maskinert, ferdig og testet for å fungere som tiltenkt.

Skruer Øyebolter brukes i bilfabrikker for å løfte motorer og girkasser under montering. På byggeplasser hjelper de med å heise tunge ting som stålbjelker eller betongplater. Enkel design, tøff nok for hverdags tung løft.
Markedsdistribusjon
| Marked | Inntekter (foregående år) | Total inntekt (%) |
| Nord -Amerika | Fortrolig | 23 |
| Sør -Amerika | Fortrolig | 6 |
| Øst -Europa | Fortrolig | 15 |
| Sørøst -Asia | Fortrolig | 3 |
| Oceania | Konfidensiell | 3 |
| Midt -Østen | Fortrolig | 2 |
| Øst -Asia | Fortrolig | 18 |
| Vest -Europa | Fortrolig | 12 |
| Mellom -Amerika | Fortrolig | 5 |
| Sør -Asia | Fortrolig | 6 |
Innenlandsk marked | Fortrolig | 7 |
Bruk av produktet
Hovedformålet med skrueboltene er å oppnå sikker løfting og stabil tilkobling av tunge gjenstander. I industriell produksjon brukes den til å løfte store mekaniske deler til utpekte steder for montering eller vedlikehold; På byggeplasser brukes det til å løfte forskjellige byggematerialer nøyaktig til konstruksjonsgulvet. I dagliglivet kan det også brukes til å løfte tunge gjenstander som møbler og utstyr. Ved å samarbeide med løfteutstyr som kraner, blir skrueboltene en nøkkelkontakt for å oppnå forskyvning av tunge gjenstander.