Hjem > Produkter > Nøtt > Sekskant flensmutter > Sekskantmuttere med flens
        Sekskantmuttere med flens
        • Sekskantmuttere med flensSekskantmuttere med flens
        • Sekskantmuttere med flensSekskantmuttere med flens
        • Sekskantmuttere med flensSekskantmuttere med flens

        Sekskantmuttere med flens

        Xiaoguo® sekskantmuttere med flens integrert en flensbase for bedre lastfordeling uten behov for ekstra pakninger. Flensen fordeler trykket og den sekskantede formen forenkler installasjonen, sparer installasjonstid og antall deler som brukes. Gratis prøver er tilgjengelig.
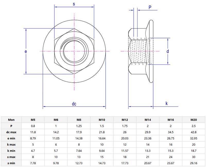
        Modell:NF E25-406-1984

        Send forespørsel

        produktbeskrivelse

        Sekskantmuttere med flenser festemidler som kombinerer en standard sekskantmutter med en innebygd skive (flens). De er laget av stål, rustfritt stål eller belagte legeringer. De passer til standardbolter og krever ikke separate skiver. Velegnet for montering på maskiner og kjøretøy.  

        Hexagon nuts with flange

        Produktdetaljer og parametere

        Sekskantmuttere med flenshar allerede pakningslignende flenser, så du kan stramme dem raskere. Muttere varierer i størrelse fra M3 til M30 og dekker alt fra liten elektronikk til tunge maskiner. Flensen forhindrer også at mutteren roterer etter montering, noe som er veldig praktisk for finarbeid. Se etter muttere med en jevn sekskantet form som er lettere å gripe med et verktøy. Vanlige bruksområder inkluderer sykkelrammer, deler til gårdsmaskiner og til og med møbelben.

        Sekskantmuttere med flenser enkel, men viktig. De forhindrer å falle av, sparer plass og øker monteringen. Populære størrelser er M10 x 1,5 mm eller 1/2" x 13UNC. Flensen legger også til en liten leppe for å hjelpe til med å justere verktøyet. De fleste er laget av grunnleggende karbonstål, men du kan få høyfaste legeringer for ekstreme belastninger. Bruk dem til alt fra teltstenger til traktorer.

        Sekskantmuttere med flenslegge til grep og beskyttelse uten ekstra deler. De er litt dyrere enn grunnleggende nøtter, men sparer tid og reduserer løs maskinvare. Perfekt for raske løsninger eller jobber der overflatepleie er viktig.

        Hexagon nuts with flange parameter

        Trenger du en mutter som blir stående?

        Sekskantmuttere med flenser kraftige festemidler som holder mutteren på plass selv når den ristes. Den brede basen er som en innebygd skive, som griper overflaten for å forhindre at mutteren løsner og brukes i maskiner. De kommer i både imperiale (som 1 1/2") og metriske (opptil M36) størrelser, og passer til de fleste bolter. Den flate undersiden hjelper til med å stille ting pent opp, noe som betyr noe for presisjonsarbeid som å montere metallrammer eller fikse motorer. Se etter de med dypere gjenger – de griper boltene strammere, noe som gjør dem pålitelige i kjøretøyet, ser disse jobbene. eller til og med utendørs kunstinstallasjoner der stabilitet er viktig. De er større enn vanlige muttere, men flensen reduserer behovet for separate skiver.

        Hot Tags: Sekskantmuttere med flens, Kina, produsent, leverandør, fabrikk
        Relatert kategori
        Send forespørsel
        Gi gjerne din forespørsel i skjemaet nedenfor. Vi svarer deg innen 24 timer.
        X
        Vi bruker informasjonskapsler for å gi deg en bedre nettleseropplevelse, analysere nettstedstrafikk og tilpasse innhold. Ved å bruke denne siden godtar du vår bruk av informasjonskapsler. Personvernerklæring
        Avvis Akseptere