Smidd øye bolter sterke festemidler som brukes til løfting, rigging og forankring. De har en rund "øye" -løkke i den ene enden og en gjenget skaft på den andre. Disse lar deg feste kabler, tau eller kjeder sikkert. De er laget for å håndtere både bevegelige og stasjonære belastninger. Du vil se dem mye innen konstruksjon, marint arbeid og logistikk.
Det er forskjellige typer, som skulderbolt, maskinbolt og skrueøyne. Hver type fungerer for forskjellige belastningsstørrelser og miljøer. Designet deres er tøft og pålitelig, noe som gjør dem viktige for å holde ting trygt og fungerer bra i industrielle omgivelser.
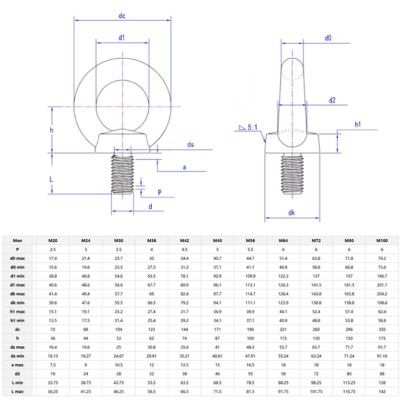
Smidd øye boltKom i trådstørrelser som spenner fra M6 helt opp til M48, og de er rangert for belastninger mellom 50 kg til over 20 tonn. Hvis du bruker skuldertype, bare husk-du må skru dem helt inn for å treffe deres maksimale vektvurdering. Skru øynene? De er bedre for lettere jobber. Sjekk alltid om de har sertifiseringer som DIN, ISO eller ASTM - det er slik du vet at de er legitime.
Ting som øyets størrelse, skaftlengde og trådavstand avhenger av jobben din, så krysssjekk vektkartene for å unngå misforhold. Trenger du noe rart for et spesielt prosjekt? Noen leverandører vil til og med finpusse størrelsene eller trådene for deg. Bare ikke hopp over detaljene når du bestiller.

Spørsmål: Hva er den maksimale vektkapasiteten til dinsmidd øye bolt, og hvordan bestemmes det?
A: Hvor mye vekt det kan holde kommer virkelig ned på tre ting: hva det er laget av, hvor tykk den er og måten den er bygget på. Ta for eksempel smidde karbonstål - de er tøffere enn stemplede eller bøyde versjoner og kan håndtere alt fra 0,25 tonn opp til 11 tonn. Arbeidsbelastningsgrensen (WLL) - det er den maksimale trygge vekten de kan håndtere - er funnet ut ved å bruke regler som ASME B30.26 eller DIN 580. Disse reglene bygger i en sikkerhetspute, vanligvis et forhold på 4: 1 eller 5: 1, så de er mye sterkere enn antallet antyder. I utgangspunktet, hvis det er vurdert til 1 tonn, er den faktisk bygget for å håndtere 4 eller 5 tonn før noe går sidelengs.