De naturlige egenskapene til de ekspanderende nagleklemmene i plast gjør den egnet for spesielle, spesifikke bruksområder. Siden den ikke leder strøm, er den veldig viktig i elektriske bokser og høyspentområder. Det lager ikke gnister, noe som virkelig er nødvendig på steder der eksplosjoner kan skje (ATEX-soner).
Du kan heller ikke klare deg uten det i MR-rom og sensitiv elektronikk, steder der selv små magnetiske felt fra metallstifter bare ikke er tillatt.

En god ekspanderende nagleklips av plast går gjennom strenge tester for å sikre at den fungerer konsekvent. Disse testene sjekker ting som størrelsesnøyaktighet, hvor mye trekk den tåler, hvor godt den takler treff, og om den fungerer med forskjellige kjemikalier.
Xiaoguo®s plastsplinter er produsert i henhold til industristandarder ved bruk av materialer som oppfyller spesifiserte krav, noe som sikrer ytelse. De holder gjenstander trygt og sikkert på plass for det tiltenkte formålet. Sammenlignet med splinter av metall er plaststifter mer korrosjonsbestandige og rustbestandige.

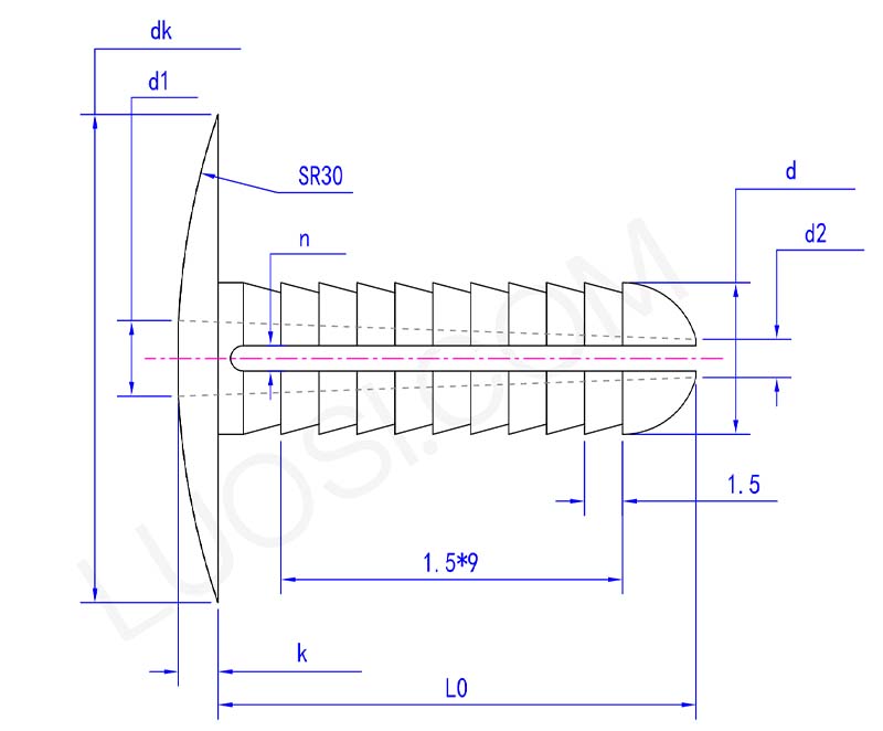
man
Φ6
Φ8
Φ10
d maks
6
8
10
d min
5.8
7.8
9.8
dk maks
16.2
16.2
18.2
dk min
15.8
15.8
17.8
k maks
1.6
1.6
2.1
k min
1.4
1.4
1.9
L0
20
20
22
d1
3
4
5
d2
1.5
2
3
n
1
1
1.5
Våre standard ekspanderende nagleklemmer i plast er laget av materialer som overholder store internasjonale forskrifter, inkludert RoHS og REACH. Vi tilbyr også FDA-sertifiserte versjoner for matkontaktapplikasjoner. Samsvarssertifikater er tilgjengelige på forespørsel.
Materialene våre er nøye utvalgt i henhold til globale standarder under produksjon, noe som sikrer samsvar med relevante kvalitetsstandarder og sikrer sikker eksport og utbredt bruk over hele verden.