|
man |
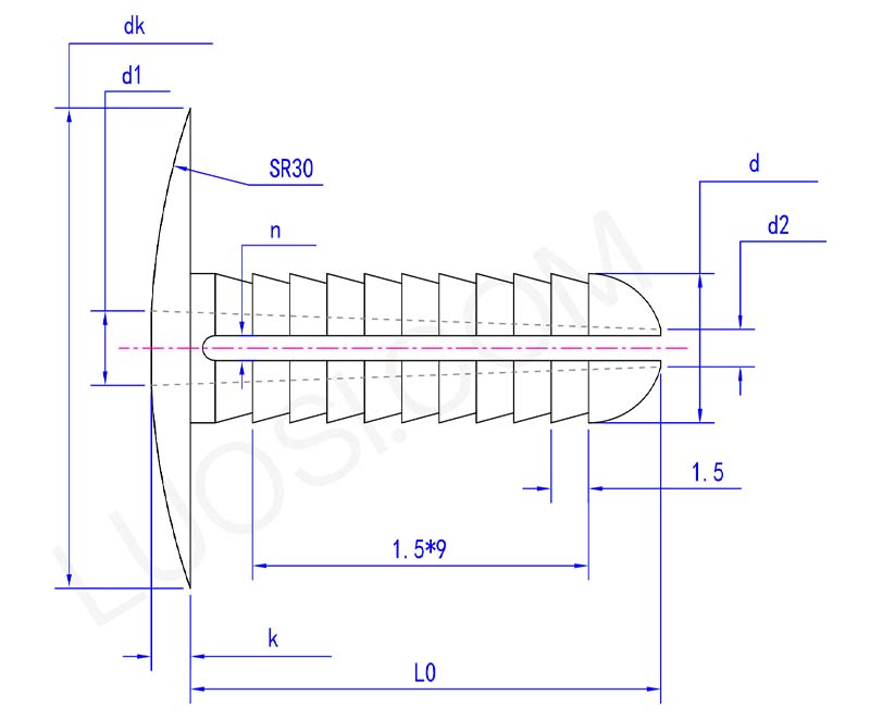
Φ6 |
Φ8 |
Φ10 |
|
d maks |
6 | 8 | 10 |
|
d min |
5.8 | 7.8 | 9.8 |
|
dk maks |
16.2 | 16.2 | 18.2 |
|
dk min |
15.8 | 15.8 | 17.8 |
|
k maks |
1.6 | 1.6 | 2.1 |
|
k min |
1.4 | 1.4 | 1.9 |
|
L0 |
20 | 20 | 22 |
|
d1 |
3 | 4 | 5 |
|
d2 |
1.5 | 2 | 3 |
|
n |
1 | 1 | 1.5 |
Den ekspanderende nagleklemmeholderen er en nyttig plastfeste. Det fungerer som et sikrere, lettere alternativ som motstår rust, i stedet for de vanlige metallsplintene.
Det er i utgangspunktet et sylindrisk stykke med en splitt på midten. Du setter den gjennom et forhåndsboret hull, og bøyer deretter de to bena ut for å holde deler som gaffelbolter, aksler eller koblinger på plass. Denne plastversjonen blir kvitt problemer som metall som blir utslitt, skarpe kanter og galvanisk korrosjon.
De viktigste fordelene med den ekspanderende nagleklemmeholderen handler om sikkerhet, å være lettere og holde seg i forskjellige miljøer.
I motsetning til metallstifter, har den ikke problemet med skarpe grader som kan kutte deg når du setter den inn eller tar den ut. Den er mye lettere, noe som betyr mye for romfart og bilbruk.
Dessuten motstår den ekspanderende nagleklemmeholderen naturlig rust og korrosjon. Den kan brukes på våte steder, rundt kjemikalier, eller der elektrisiteten er utilstrekkelig, og hvor metallnåler kan fungere feil eller forårsake problemer.

Den spesifikke verdien av skjærstyrken til vår ekspanderende nagleklemmeholder vil variere avhengig av stiftens diameter og den spesifikke materialkvaliteten.
Den er designet for å håndtere mye vibrasjon og bevegelige laster, som er vanlig i maskineri, bildeler og samlebånd.
Materialet har naturlig nok en viss fleksibilitet og spenst, noe som hjelper det å absorbere støt. Det gjør den til en pålitelig erstatning for metallstifter i mange tøffe miljøer, den slites ikke lett ut, og den reduserer også slitasjen på delene den kobler sammen.
