Forlåsekrage med boltfeste, kan du velge materialer basert på hva du trenger. Karbonstål (som SAE 1070/1095) brukes når du trenger et sterkt materiale for tøffe jobber. Rustfritt stål (AISI 304/316) fungerer godt på steder der ting kan ruste eller korrodere. Titanlegeringer er bra for romfartsting der de trenger det lett, men sterkt. Det finnes også spesialiteter som Inconel® for situasjoner med ekstreme temperaturer, enten veldig varmt eller veldig kaldt.
De tester hvert materiale nøye for å sikre at det holder seg – sjekker hvor mye det kan strekke seg uten å brekke (opptil 1500 MPa) og hvor mye slitasje det tåler over tid. Variasjonen av materialer betyr at denne holderingen kan fungere i mange forskjellige miljøer, fra superkalde steder til høyvarme fabrikker.
Ta vare pålåsekrage med boltfestebetyr regelmessige kontroller av bolttetthet, overflateslitasje eller rust. Under vedlikehold, stram boltene til produsentens anbefalte moment (vanligvis 20-50 Nm). Bruk skånsomme rengjøringsmidler for å tørke av rusk, og legg litt anti-festefett på gjengene for å gjøre det lettere å ta fra hverandre senere. Hvis du ser sprekker eller ringen er feilformet, bytt den ut. Oppbevar ringene på et tørt sted med kontrollert temperatur for å forhindre at de blir skadet før du installerer dem. Å følge med på denne rutinen hjelper dem til å fungere best og kan få dem til å vare opptil 30 % lenger.

Spørsmål: Hvordan finner jeg riktig størrelse på enlåsekrage med boltfestefor min akseldiameter?
A: Velge rettlåsekrage med boltfesteavhenger av akselens tykkelse (OD) og gjengetype. Start med å måle skaftets tykkelse og sammenlign den med produsentens størrelsesguide. Viktige ting å merke seg: kragens indre størrelse må samsvare med akselens gjenger, boltstørrelsen og hvor tykk kragen er. Hvis skaftet ditt ikke er gjenget, må du legge til gjenger først. Dobbeltsjekk alltid om trådene er metriske eller imperiale - å blande dem forårsaker hodepine. For skaft av ulik størrelse finnes det tilpassede krager, men de vil ta ekstra tid og penger.
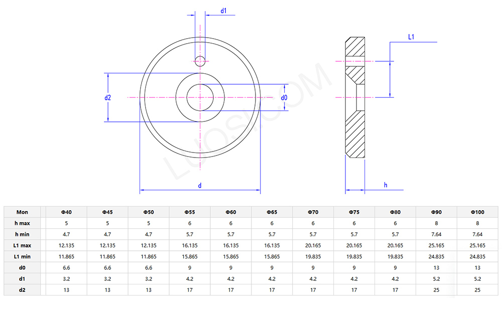
Våre boltfaste låsekrager er hovedsakelig laget av karbonstål. Vi velger dette materialet fordi det har god seighet og slitestyrke, som kan dekke produktets grunnleggende bruksbehov.
Før produktene forlater fabrikken, belegger vi overflatene deres med et antirustlag. Denne behandlingen forhindrer at halsbåndene ruster når de brukes i fuktige omgivelser eller lagres over lengre tid.
Vi har også valgfrie materialer som rustfritt stål, for kunder som trenger bedre korrosjonsbestandighet. Materialtykkelsen på produktet er utformet basert på standard bærende krav, slik at det ikke vil deformeres eller brekke under normal bruk.
Boltdelen er laget av samme materiale som kragen, slik at hele produktet har jevn ytelse og stabilitet.
Fraktkostnaden for våre boltfaste låsekrager avhenger av hvor du sender dem, hvilken fraktmetode du velger og hvor mange du bestiller.
Hvis du går med standard logistikk, er kostnadene lavere, men leveringen tar litt lenger tid - vanligvis 3 til 7 virkedager. For hastebestillinger kan du velge ekspresslevering, men det vil koste mer. Den nøyaktige tilleggsavgiften avhenger av hvor langt forsendelsen skal gå.
Når bestillingen din når et visst antall, dekker vi fraktkostnaden for deg. Hvert produkt er lite og lett, så selv små batchordrer vil ikke ha superhøye fraktkostnader.
Før vi sender noe ut, pakker vi kragene skikkelig for å forhindre skade under transport. Og denne emballasjekostnaden er allerede inkludert i fraktgebyret - du trenger ikke å betale ekstra for det.
Hvis du vil vite den nøyaktige fraktkostnaden, er det bare å spørre kundeserviceteamet vårt. De vil beregne det basert på dine spesifikke bestillingsdetaljer.
Spørsmål: Hva er MOQ og ledetid for din låsekrage med boltfeste, og tilbyr du bulkbestillingsrabatter?
A: Minste bestillingsmengde (MOQ) for standard låsekrage med boltfeste er 300 stykker, med en leveringstid på 7–10 virkedager for vanlige bestillinger. For bulkbestillinger over 5000 stykker tilbyr vi lagdelte rabatter (3 %–10 % rabatt) for å redusere anskaffelseskostnadene dine. Tilpasset låsekrage med boltefeste har en MOQ på 500 stykker og en leveringstid på 12–18 arbeidsdager, inkludert prøvevalidering og produksjonsplanlegging.