Karbonstålforsegling av klinkler er en type feste som brukes til å koble til tynne plater eller lakenmetaller. De er laget av karbonstål, temperert og slukket for å øke hardheten, og overflaten blir galvanisert eller på annen måte gjort korrosjonsbestandig.
Tetningsklinkernøtten er ganske grei, du kan bruke standard pneumatiske eller hydrauliske kliniske verktøy. Slik fungerer det: Først, legg mutteren i et forhåndsstanset hull, og bruk deretter et slag og die-sett for å påføre trykk. Die trykker platen rundt mutterens clinch -krage, og danner en solid mekanisk lås i ett raskt trinn.
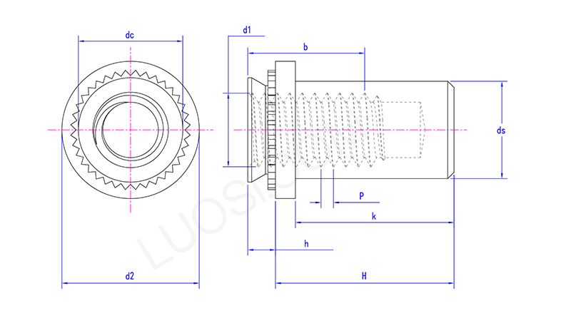
| Man | M3-1 | M3-2 | M4-1 | M4-2 | M5-1 | M5-2 | M6-1 | M6-2 |
| P | 0.5 | 0.5 | 0.7 | 0.7 | 0.8 | 0.8 | 1 | 1 |
| ds maks | 3.84 | 3.84 | 5.2 | 5.2 | 6.35 | 6.35 | 8.75 | 8.75 |
| DC maks | 4.2 | 4.2 | 5.38 | 5.38 | 6.33 | 6.33 | 8.73 | 8.73 |
| B min | 5.3 | 5.3 | 7.1 | 7.1 | 7.1 | 7.1 | 7.8 | 7.8 |
| H maks | 0.91 | 1.38 | 0.97 | 1.38 | 0.97 | 1.38 | 1.38 | 1.38 |
| H maks | 9.85 | 9.85 | 11.45 | 11.45 | 11.45 | 11.45 | 14.55 | 14.55 |
| H min | 9.35 | 9.35 | 10.95 | 10.95 | 10.95 | 10.95 | 14.05 | 14.05 |
| k maks | 8.5 | 8.5 | 9.8 | 9.8 | 9.8 | 9.8 | 12.7 | 12.7 |
| d2 maks | 6.6 | 6.6 | 8.2 | 8.2 | 9 | 9 | 11.35 | 11.35 |
| D2 min | 6.1 | 6.1 | 7.7 | 7.7 | 8.5 | 8.5 | 10.85 | 10.85 |
| D1 | M3 | M3 | M4 | M4 | M5 | M5 | M6 | M6 |
Karbonstålforseglingsklinkeringsmuttere er definert av nøkkelmålinger: trådstørrelse (som M4, M5, M6 eller 1/4 "-20), clinch krage diameter, total høyde, forseglingsskivedimensjoner og arktykkelse de fungerer med (både min og maks). Du kan få dem i standard metriske eller keiserlige tråder.
Deres kliniske styrke (hvor godt de motstår å bli dyttet ut eller vridd av) blir testet mot bransjestandarder (tenk ISO, Din, IFI). Å velge riktig størrelse er en stor avtale, det sørger for at tetningen holder og mutteren er sterk nok for jobben.
For å installere carbon stålforseglingsklinjemutteren, trenger du et spesialisert klinikkverktøy og die -sett som nøyaktig samsvarer med mutterens størrelse. Først, legg mutteren i et forhåndsstanset hull i platen. Deretter bruker verktøyet kontrollert trykk, som får nøttens pilot og knurl til å synke ned i det omkringliggende metallet. Denne kalddannende prosessen låser den rustfrie stålmutteren på plass for godt, og samtidig klemmer den den innebygde tetningsvasken mot panelet. Slik skaper det det lekkasjesikre tetningen som gjør disse nøttene unike.
